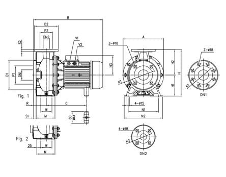
| Vöruheiti | Afl kW | Hitaþol °C | Sog stútar " | A mm | B mm | C mm | H mm | H1 mm | H2 mm | H3 mm | M mm | M1 mm | N mm | N1 mm | R mm | W mm | Vörunúmer |
|---|---|---|---|---|---|---|---|---|---|---|---|---|---|---|---|---|---|
| Ryðfrí dæla 316 | 0.37 | -5/+60 | 1 1/4 | 181 | 320 | 181 | 229.5 | 106 | 123.5 | 207 | 50 | 38 | 120 | 160 | 108 | 92.5 | EB-CDXL/A 70/05 |
| Ryðfrí dæla 316 | 0.75 | -5/+60 | 1 1/4 | 208 | 320 | 181 | 229,5 | 106 | 123,5 | 207 | 50 | 38 | 120 | 160 | 108 | 92,5 | EB-CDXL-90/10 |
| Ryðfrí dæla 316 | 1.5 | -5/+90 | 1 1/4 | 232 | 346.5 | 198.5 | 250 | 118 | 132 | 237 | 55 | 40 | 140 | 180 | 105.5 | 95 | EB-CDXL/I 120/20 |
| Ryðfrí dæla 316 | 1.8 | -5/+90 | 1 1/2 | 232 | 371.5 | 198.5 | 250 | 118 | 132 | 237 | 55 | 40 | 140 | 180 | 105.5 | 95 | EB-CDXL 200/25 |





