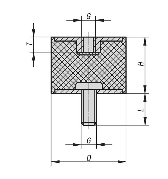
| Vöruheiti | D mm | H mm | G | T mm | Þjöppun N/mm | Álag N | Vörunúmer |
|---|---|---|---|---|---|---|---|
| Mótorpúði múffa/múffa | 30 | 20 | M8 | 8 | 425 | 637 | K0569-03002055 |
| Mótorpúði múffa/múffa | 50 | 30 | M10 | 10 | 680 | 1360 | K0569-05003055 |
| Ryðfríir mótorpúðar | |||||||
| Mótorpúði múffa/múffa | 15 | 15 | M4 | 4 | 100 | 100 | K0569-015015551 |
| Mótorpúði múffa/múffa | 20 | 20 | M6 | 6 | 230 | 276 | K0569-020020551 |
| Mótorpúði múffa/múffa | 40 | 30 | M8 | 8 | 530 | 1060 | K0569-040030551 |
Vélapúðar og titringsvarnir
Vélapúðar gerð 2
Innansnittaður í annan endann og boltafesting á móti.
Við bjóðum upp á fleiri gerðir vélapúða en hér eru sýndar.
Hafið samband við sölumenn Fálkans til að fá nánari upplýsingar.




